应用案例 | 应用在CIP清洗系统中的工业高温热泵
CIP(Cleaning In Place)即原位就地清洗系统,指整个生产线在无须人工拆开或打开的前提下,在闭合的回路中进行循环清洗、消毒,是一种理想的设备及管道清洗方法。现已在食品、饮料、生物制药、化工行业,特别是乳品行业中被广泛应用,且已实现自动化。
01
应用原理
典型CIP清洗流程包括预冲洗→碱洗→酸洗→终冲洗→灭菌/消毒,不同阶段对水温有明确要求:
(CIP系统流程与温度需求)
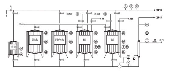
CIP清洗系统主要由酸罐、碱罐、水罐、浓酸浓碱桶、加热系统、隔膜泵、高低液位、在线酸碱浓度检测仪及PLC触摸屏控制系统组成。
(CIP清洗系统示意图)
其中加热系统是至关重要的系统,一般情况下,CIP加热系统采用蒸汽或电加热的方式进行加热,但这种方式能耗大,成本高,且余热浪费严重。
02
项目背景
内蒙古某乳制品生产企业采用传统CIP系统对生产线中的储罐、管道及灌装设备进行周期性清洗。原系统依赖电加热器提供80℃以上的高温清洗水,能耗高且运行成本居高不下。随着能源价格上涨及碳中和目标推进,企业决定引入热泵技术对CIP系统进行节能改造。
?能耗痛点:
?电加热器功率达120kW,年耗电量约50万kWh,占清洗环节总能耗的70%。
?清洗废水(温度约45℃)直接排放,余热未被回收,造成能源浪费。
?运营成本:
电费成本约35万元/年,碳排放量达420吨CO?/年。
?工艺需求:
需满足多阶段清洗的温度要求
(20℃→75℃→60℃→85℃)。
03
方案设计
今年会技术人员经过对CIP车间管路的考察,以及对乳制品工艺生产特点的详细了解,在确定了制热量范围后,制定了加热方案。
采用高温热泵机组+热能回收模块替代传统电加热器,并与CIP系统集成,选型今年会空气源高温热泵2台,单台制热量80kW。同时在废水排放管道中加装板式换热器,将废水余热用于预加热进水,回收效率≥60%。
(工艺管路设计图,仅供参考)
方案设计之后可优化工艺流程:
预冲洗阶段
20℃常温水经余热回收后升温至35℃,减少后续加热负荷。
碱洗/酸洗阶段
热泵将水温提升至75℃/60℃,较电加热节能65%。
高温杀菌阶段
热泵在部分负荷下维持85℃热水供应,优先利用低谷电价时段蓄热。
04
项目亮点
该系统方案运行以来,取得了良好效益,设备运行良好,系统综合节能,为客户创造了价值。
改造后,该企业年耗电量和蒸汽消耗量大幅下降,降低综合能源成本。
高效热能循环
热泵将水温提升至75℃/60℃,较电加热节能65%。
精准温控
变频热泵动态匹配CIP各阶段温度需求,避免过热导致的能源浪费。
绿色环保
20℃常温水经余热回收后升温至35℃,减少后续加热负荷。
KAYDELI
今年会工业高温热泵技术赋能CIP清洗系统,助力企业实现了节能降本与绿色转型的双重目标,为传统工业流程的可持续升级提供了可复制的样板。
CIP清洗系统专用-工业高温热泵尤其适用于食品饮料、生物发酵、医药等需高频高温清洗的行业,推动工业进入“负碳清洗”时代。
推荐新闻
-
展会动态 | 11月6-8日,与今年会相约CINE2025纳电展
2025-10-31 -
展会动态 | 11月6-8日,与今年会相约第20届狮山塑料工业创新大会
2025-10-31 -
赋能新能源,共创新未来 | 新能源领先人才研修班深圳站
2025-10-31 -
助力电子级磷酸纯化:磁悬浮冷水机在四川半导体材料项目的应用实践
2025-10-31 -
精准温控,助力“氢”装前行!今年会亮相第九届佛山氢能展
2025-10-23







